Cub Cadet FAQ's

Factory Wiring Diagrams

Original 100 122 147    Lights 169    Lights 482    
70 102 123 149    Lights 1650  Lights 582    
71 104 124 1450  Lights   682    
72 105 125    

782
S/N:  719,999 & Below

782
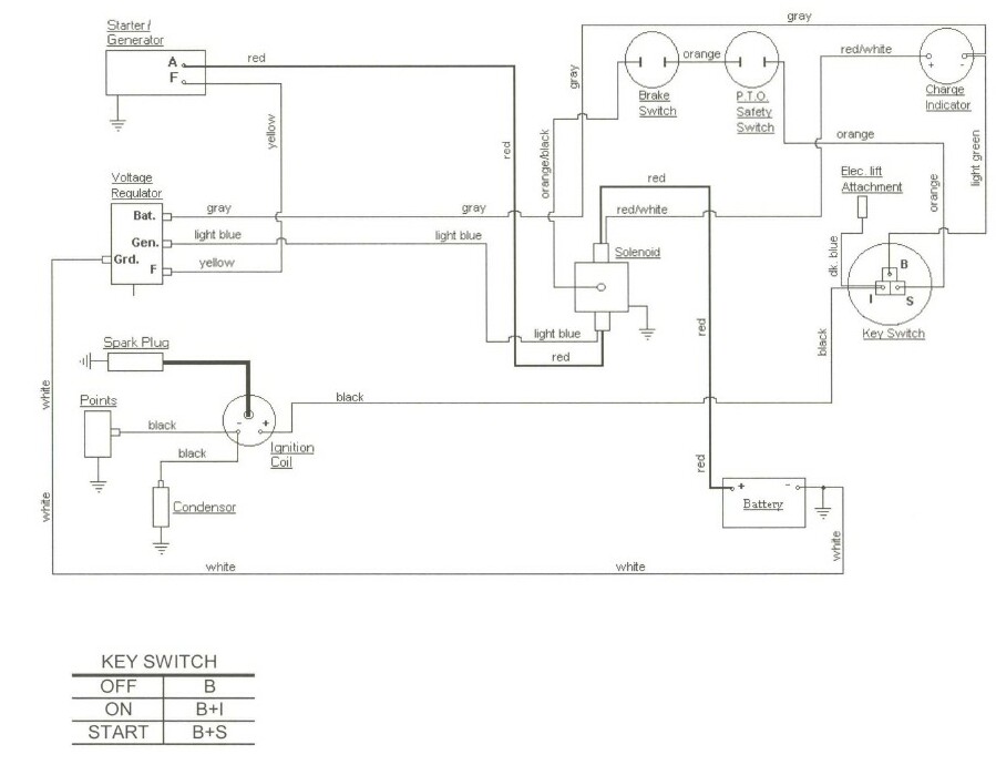
S/N: 720,000-737,624

782D

73    Lights 106    Lights 126    Lights     982    
76 Electric
76 Recoil
107    Lights 127    Lights     982 w/ Rear PTO    
86    Lights 108    Lights 128    Lights     1282    
800  Lights 109    Lights 129    Lights          
  1000  Lights 1200  Lights          
  1100 1250  Lights